Audioschaltung

Alles zum Thema Hardware rund um die Propellerchips und den Hive.
Benutzeravatar
drohne235
Administrator
Beiträge: 2284
Registriert: So 24. Mai 2009, 10:35
Wohnort: Lutherstadt Wittenberg
Kontaktdaten:

Audioschaltung

Beitrag von drohne235 »

hmmm, ich bin aber nicht der einzige der das problem hat.
Naja, die Frage die sich mir stellt ist ja grad ob wir dabei über das gleiche Problem reden. ;) Bisher dachte ich ja auch das es sich allein um die Störungen in Verbindung mit dem TDA handelt und jetzt erkenne ich erst, dass es verschiedene Probleme sind. Ich hab überhaupt nicht damit gerechnet, dass es sich um was anderes handeln könnte und vielleicht ist das bei anderen auch so...
desweiteren höre ich den heartbeat im stplay auch. das müsstest du ja dann wenigstens hören?
Das ist normal. Der Sound der Module und die SFX-Sounds (Heartbeat!) werden von zwei getrennten Engines im HSS erzeugt, laufen also durchaus auch parallel. Das könnte man durchaus in der stplay-Quelle ändern und beim Start des Players den Heartbeat abschalten. So wird er halt bei jedem SD-Zugriff abgespielt, also wenn man z.B. die Funktion "Next Song" auslöst und das nächste Modul geladen wird.
ich höre richtig das leuchten der LED´s (also eine art zirpen/knacken) im takt der led.
Die Bellatrix-LED währen dem Abspielen von Modulen im StarTracker? Da ist bei mir echt kein knacken oder zirpen zu hören (ohne TDA).
Hast du ein tda? und dabei dann etwa auch störungen?
Ich hab TDA's hier rumliegen, aber nicht mehr gesteckt seit es ohne problemlos geht. Die Störungen mit dem TDA sind auch, wie schon gesagt, nicht mit irgendwas (blinkendes LED, Ladeoperationen...) in Beziehung zu setzen, sondern vielmehr irgendwie abhängig von dem Signal. Das ist jetzt etwas schwer zu beschreiben, ich muss mal schauen ob ich irgendwie mal eine Tonaufnahme hinbekomme, die poste ich dann hier, dann wird das klar

quote]es kann unmöglich am TDA liegen. benutze es ja auch für andere schaltungen und da läuft es astrein![/quote]

Kannst du mal bitte eine funktionierende Schaltung posten? Vielleicht bekommen wir das auf dem Weg irgendwie hin, vielleicht ist der TDA bzw. die Beschaltung im Hive einfach nur falsch dimensioniert?
"Ob Sie denken, dass Sie es können, oder ob Sie denken, dass Sie es nicht können - in beiden Fällen haben Sie recht." Henry Ford
Benutzeravatar
subzero
Beiträge: 50
Registriert: Sa 8. Aug 2009, 14:15
Wohnort: Hildesheim

Re: Audioschaltung

Beitrag von subzero »

tja, dann weiss ich auch net.
da muss irgendwas reinsprühen, überlagern oder sonstwas.
ist ja verdächtig das du garnix hörst. auch nicht im takt der led´s. das habe ich übrigens auch unabhängig von stplay.
ausschliessen kann ich den TDA, da er sonst funktioniert.
Netzteil, da ich unteranderem ein Labornetzteil ausprobiert habe.
Die Spannung am TDA habe ich auch mit nem Kondensator versucht zu entstören. ohne ergebnis!


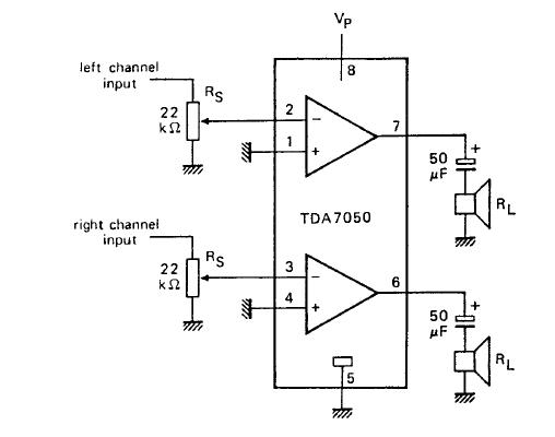
Nutzen tue ich den TDA mit empfohlener Standard schaltung. (ähnlich wie auf dem Hive)
siehe bild.

Bin jetzt schopn etwas ratlos, zumal es ja allem anschein nach einige das problem wohl net haben.

ich versuche mal nen video zu machen, damit ihr das mal sehen und hören könnt.
Dateianhänge
schaltung.JPG
Benutzeravatar
subzero
Beiträge: 50
Registriert: Sa 8. Aug 2009, 14:15
Wohnort: Hildesheim

Re: Audioschaltung

Beitrag von subzero »

so,
hab jetzt mal nen video dazu gemacht.
im ersten video, ist der start vom hive.
extremes neben gepfeife usw.
selbst im leerlaufprozess (ab ca. 29 sec.) hört man immer noch das piepsen...
out1.mpg
(4.72 MiB) 1247-mal heruntergeladen
im 2. video starte ich stplay.
dort das gleiche problem, jedoch achtet mal auf (ab ca. 20 sec.)
im bild fährt der balken von stplay hoch und siehe da, er klingt sauber und klar, selbst dazwischen die kurze pause ist sauber.
jedoch leider fängt es beim starten der music wieder an zu quitschen und zu pfeifen.
out2.mpg
(4.66 MiB) 1257-mal heruntergeladen
kann mir das einer erklären?
für mich jedenfalls ist es wohl eher nen software problem oder net?

p.s. die video dateien laufen bei mir nur unter VLC (divx)
Benutzeravatar
drohne235
Administrator
Beiträge: 2284
Registriert: So 24. Mai 2009, 10:35
Wohnort: Lutherstadt Wittenberg
Kontaktdaten:

Re: Audioschaltung

Beitrag von drohne235 »

Kannst du das zur Probe mal ohne den TDA-Chip machen? So klingt es im Prinzip bei mir auch mit dem gesteckten Schaltkreis. Ich mache morgen auch mal Aufnahmen, jetzt ist das ein bisschen laut hier... ;)
"Ob Sie denken, dass Sie es können, oder ob Sie denken, dass Sie es nicht können - in beiden Fällen haben Sie recht." Henry Ford
Benutzeravatar
Rainer
Beiträge: 510
Registriert: Fr 29. Mai 2009, 16:11

Re: Audioschaltung

Beitrag von Rainer »

Jesus, was ist DASS denn ?

Jetzt kann ich auch verstehen, warum das so stört ... ab und an habe ich echt gedacht ihr übertreibt.
Aber das ist ja abartig. Ich habe gerade versucht das mit Absicht irgendwie zu reproduzieren ... mit dem Hive Audioausgang direkt in den Mikrofoneingang von meinem Netbook ... Mic-In auf "volle Pulle" .... das rauscht zwar und ich höre den/die Prozessor(en) leise arbeiten, aber bei den Pegeln würde ich die eingebauten Lautsprecher pulverisieren wenn ich da jetzt noch Sound ausgeben würde (kein TDA eingebaut bei mir).
Ich bin ja wirklich empfindlich was Sound angeht und was aus dem Hive kommt ist sicher kein High-End, aber mit der Soundqualität aller mir bekannten Homecomputern kann er durchaus mithalten.

Kann mir echt nicht erklären woran das bei euch liegt.
Da müssen wir fürwahr eine Lösung finden.

Gruß.
Rainer
Zuletzt geändert von Rainer am Fr 28. Aug 2009, 00:07, insgesamt 1-mal geändert.
"Wer andauernd begreift, was er tut, bleibt unter seinem Niveau."
Benutzeravatar
subzero
Beiträge: 50
Registriert: Sa 8. Aug 2009, 14:15
Wohnort: Hildesheim

Re: Audioschaltung

Beitrag von subzero »

ohne TDA ist es nicht ganz so schlimm, aber dennoch vorhanden und erst recht wenn ich voll auf drehe hört man es nur leicht im hintergrund, ist aber völlig identisch.

und @Rainer ist ja wohl echt grottig und gruselig?!
Benutzeravatar
Rainer
Beiträge: 510
Registriert: Fr 29. Mai 2009, 16:11

Re: Audioschaltung

Beitrag von Rainer »

Ich stochere mal im Dunklen.

Kann es vll. sein das offene Ausgänge schwingen ? Ethernet, TV, oder Ähnliches ?
Ich habe immer ALLE Stecker drin (bin viel zu faul ständig um/einzustecken), also auch Ethernet/VGA/TV usw., egal, ob ich sie gerade nutze oder nicht.

Gruß.
Rainer
"Wer andauernd begreift, was er tut, bleibt unter seinem Niveau."
Benutzeravatar
subzero
Beiträge: 50
Registriert: Sa 8. Aug 2009, 14:15
Wohnort: Hildesheim

Re: Audioschaltung

Beitrag von subzero »

leider nein.
ich ändere ständig die Konfiguration, mal mit Ethernet mal ohne. genauso wie com, ps2 usw.
nutze immer nur das was gerade gebraucht wird.
diese fehlerquelle kann ich leider ausschliessen.
Sowie stromquelle oder umliegende geräte kann ich auschliessen.
Saubergearbeit und ordentlich gelötet ist es ja auch.
wie gesagt, ist ja auch nur mit TDA so extrem zu hören. ohne TDA ist es nur bei MAXIMALER lautstärke zu hören und daher kann ich den TDA auch als fehlerquelle ausschliessen.
Benutzeravatar
Rainer
Beiträge: 510
Registriert: Fr 29. Mai 2009, 16:11

Re: Audioschaltung

Beitrag von Rainer »

subzero hat geschrieben:leider nein.
ich ändere ständig die Konfiguration, mal mit Ethernet mal ohne. genauso wie com, ps2 usw.
nutze immer nur das was gerade gebraucht wird.
diese fehlerquelle kann ich leider ausschliessen.
Sowie stromquelle oder umliegende geräte kann ich auschliessen.
Saubergearbeit und ordentlich gelötet ist es ja auch.
wie gesagt, ist ja auch nur mit TDA so extrem zu hören. ohne TDA ist es nur bei MAXIMALER lautstärke zu hören und daher kann ich den TDA auch als fehlerquelle ausschliessen.
Genau das meinte ich ja .. ich habe immer alles eingesteckt (und auch am anderen Ende der Kabel was angeschlossen) und habe die Störungen nicht... zumindestens keine in einem Pegel der erträglich ist. Ich höre erst was fiepsen wenn ich so laut aufdrehe, das ich die Lautstärke des Nutzsignals sowieso nicht mehr "aushalten" würde.

Hast Du schon mal probiert mit dem "Prop-Disable"-Programm Regnatix und Bellatrix zu deaktivieren und zu sehen, ob dann immer noch Störungen da sind ?
Wir müssen das ja erstmal irgendwie einkreisen. Ich verdächtige auch ganz stark den Ethernet-Chip ... den vll. mal raushebeln und dann nochmal testen.
Zuletzt geändert von Rainer am Fr 28. Aug 2009, 00:34, insgesamt 1-mal geändert.
"Wer andauernd begreift, was er tut, bleibt unter seinem Niveau."
Benutzeravatar
subzero
Beiträge: 50
Registriert: Sa 8. Aug 2009, 14:15
Wohnort: Hildesheim

Re: Audioschaltung

Beitrag von subzero »

ja sorry, hab mich wohl falsch ausgedrückt.
ich meine auch bei voll belegung ist es das gleiche problem....
:D
Antworten