Vielen Dank für die Schaltbilder.
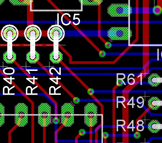
Könnt Ihr bitte die Eagle-Files auch hochladen? Beim kurzen Drüberblicken fielen mir ein paar ungünstig platzierte Vias auf, die beim Löten leicht zu unbemerkten Kurzschlüssen führen können, z.B. bei IC8 Pin6 - Pin7, oder Regnatix Pin5 - Pin6.
Auf dem Bild kann ich jedoch nicht alles erkennen.
Die Leitungen von IC8 nqch Q5 könnte man kürzer verlegen, wenn man IC8 um 1 Raster nach unten setzt. Dann kann man Q5 von unten nach oben (bezogen auf die RTC) verlegen. Auf der Lötseite sollte man unter dem Uhrenquarz zusätzlich eine Massefläche legen, an welcher man den Quarz festlöten kann.
Klasse finde ich, dass die EEPROMS nun im Raster zu liegen scheinen. Das vereinfacht den Aufbau einer Aufsteck-Umschaltplatine auf Lochraster.
Gruß, oog
