Leiterplatten-Entwurf

Alles andere hier herein
Antworten
Benutzeravatar
Micha
Beiträge: 815
Registriert: Sa 24. Mär 2012, 21:45
Wohnort: Merseburg
Kontaktdaten:

Leiterplatten-Entwurf

Beitrag von Micha »

auf neudeutsch "PCB Design", wobei PCB für "Printed Circuit Board" steht.

Mit der Idee, selber eine Leiterplatte zu entwerfen, hatte ich schon seit letztem Herbst geliebäugelt. Aber die Schwelle, um alle notwendigen Voraussetzungen und Kenntnisse zusammenzubekommen erschien zunächst sehr hoch. Nachdem Ende März in Garitz die "Kontamination" mit den Themen Hive und Euzebox erfolgt war, war die Schwelle plötzlich garnicht mehr hoch. Tatsächlich hab ich beim Basteln an den beiden Bausätzen eine Menge Ideen abgestaubt wie man bestimmte Dinge machen kann.

Die Frage war nun: Welche Software für eigene Entwürfe verwenden?
Irgendwie bin ich bei Target3000 gelandet. Eine Software von der es eine kostenlose Version gibt (PCB Pool Edition), unter der Bedingung dass man Leiterplatten dann nur bei einem bestimmten Hersteller fertigen lassen darf, der Apothekenpreise hat.
Die Einarbeitung in Target3000 war etwas zäh, ich hab bestimmt eine Wochen herumprobiert bis es anfing halbwegs produktiv zu werden. Immerhin hilfreich waren dabei diverse Video-Tutorials.
Meine erste produzierte Leiterplatte war ein Flop - ich hatte bis dahin noch nicht entdeckt, dass die Software eine automatische Konsistenzprüfung des Projekts ermöglicht (extrem nützlicher Aspekt so einer CAD Software!). In dem Fall hatte meine "Konsistenzprüfung" darin bestanden, ca. 10 Minuten über das Layout zu schauen - dabei sind mir dann doch zwei ungewollte Überkreuzungen von Leiterbahnen durch die Lappen gegangen :(
Die späteren Entwürfe waren dann alle fehlerfrei, nachdem ich das mit dem Konsistenztest gecheckt hatte. PCB-Pool fertigt in einer ordentlichen Qualität, das muss man denen lassen.

Inzwischen habe ich mit sehr großem Interesse mal einen Thread auf microkontroller.net nachgelesen, ungefährer Titel Welches PCB Programm verwendet ihr?". Dort kam heraus dass ca. 3/4 aller Hobbyisten Eagle verwenden. Wobei viele auch ältere Versionen verwenden, Upgrades sind wohl in den Augen der Anwender zu teuer...". Von der verbleibenden ca. 1/4 Minderheit gibt es noch mal eine starke KiCAD Fraktion, alle anderen Programme sind mehr oder weniger Exoten. Ich musste lange lesen, bis in jenem Thread sich mal jemand als Target3000 Nutzer outete. Ob das Ergebnis der Umfrage repräsentativ ist weiss der Geier, aber der Trend stimmt vermutlich... :?:

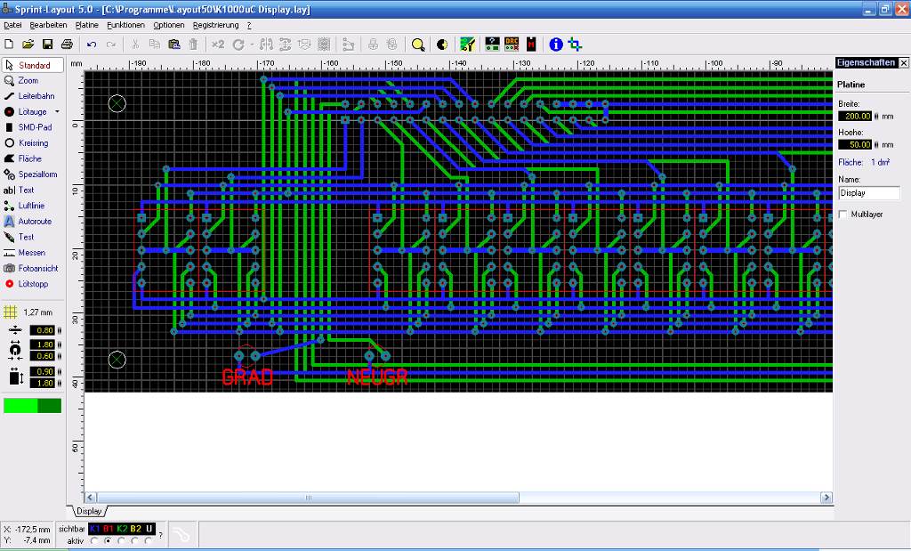
In Garitz hatte ich allerdings auch einige Aktivisten aus der Robotron-Szene gesprochen, die auf die Software "Sprint Layout" schworen. Mir klingt noch die Aussage im Ohr: "das Programm ist sehr einfach zu bedienen, jeder der Paintbrush bedienen kann kommt auch damit zurecht". Da Sprint Layout als unbeschränkte Vollversion nur 30 Euro kostet habe ich es mir mal geleistet. Gestern hab ich damit ein vermurkstes Leiterplattendesign neu gestaltet. Positiv: die Bedienung ist wrklich sehr intuitiv, man kommt viel schneller in die Gänge damit als z.B. mit Target3000. Negativ: das Programm ist eben "nur" ein Layout-Programm und keine Kombination aus Schaltungs+Layout Entwurf. Das hat zur Folge, dass keine Konsistenzprüfung auf Basis Schaltplan möglich ist. Man muss dann schon genau wissen was man tut...
In meinem Fall war ich damit deutlich produktiver als mit Target. Die Leiterplatte an der ich in Target ca. eine halbe Woche herumgebastelt hatte war hier innerhalb weniger Stunden fertig. Jetzt suche ich mir einen PCB-Hersteller meiner Wahl aus und bin gespannt wie das Ergebnis nachher ausschaut ;)
Dateianhänge
Sprint_Layout.jpg
Sprint_Foto.jpg
Also vonder Sache här tätch jetz ma behaupten "Mischn ägomplischd" un so...
Benutzeravatar
PIC18F2550
Beiträge: 2864
Registriert: Fr 30. Sep 2011, 13:08

Re: Leiterplatten-Entwurf

Beitrag von PIC18F2550 »

Mach dir über die Software keine all zufrieden Gedanken.
Wichtig ist das du damit zurecht kommst.
Ich nutze Eagle 5.1 weil ich nicht gern die Versionen wechsele (Versuchskanienchen).
Gruß
PIC18F2550

drone265/278
Barbarus hic ergo sum, quia non intellegor ulli.
Ein Barbar bin ich hier, da ich von keinem verstanden werde.
ʎɐqǝ ıǝq ɹnʇɐʇsɐʇ ǝuıǝ ɹǝpǝıʍ ǝıu ǝɟnɐʞ ɥɔı ´uuɐɯ ɥo
Benutzeravatar
drohne235
Administrator
Beiträge: 2284
Registriert: So 24. Mai 2009, 10:35
Wohnort: Lutherstadt Wittenberg
Kontaktdaten:

Re: Leiterplatten-Entwurf

Beitrag von drohne235 »

Ups, ich dachte du bist schon durch mit den Leiterplatten - hatte ich nicht schon fertige bei dem K1000 gesehen?
"Ob Sie denken, dass Sie es können, oder ob Sie denken, dass Sie es nicht können - in beiden Fällen haben Sie recht." Henry Ford
Benutzeravatar
Micha
Beiträge: 815
Registriert: Sa 24. Mär 2012, 21:45
Wohnort: Merseburg
Kontaktdaten:

Re: Leiterplatten-Entwurf

Beitrag von Micha »

Klassische Radio-Jerewan Antwort: "Im Prinzip ja. Aber..."

Irgendwie waren im Target3000 Projekt die Pins der 7-Segment-Bausteine spiegelverkehrt. Was dazu führte dass die Anschlüsse der Segmente wild durcheinandergewürfelt wurden. Der Workaround ist in der Anlage zu sehen: die Verwurschtelung durch komplementär verwurschtelte Vorwiderstände zu entwurschteln. Funktioniert, ist aber nicht schön ;)

Ich hab eine Weile in Target3000 rumprobiert: wenn ich die Chips mutwillig auf die "verkehrte" Bestückungsseite bringe sieht das 3D Modell falsch aus aber die Anschlüsse stimmen. Dummerweise "zerreisst" die Schaltung dabei. Irgendwann hatte ich den Murks satt und habe das getan was ich eigentlich schon länst mal machen wollte - nämlich Sprint Layout ausprobieren. War gestern und heute morgen eine sehr effektive Session, wie oben beschrieben. Nebeneffekt: ich kann jetzt einen PCB Hersteller meiner Wahl testen - ich hab das Ding bei http://www.aetzwerk.de in Auftrag gegeben. Die sind bei Kleinstserien ziemlich billig, ich will mal testen ob trotzdem die Qualität stimmt, also ob die nur billig oder tatsächlich preiswert sind...
Dateianhänge
thupr.jpg
Also vonder Sache här tätch jetz ma behaupten "Mischn ägomplischd" un so...
Antworten