Kleines Propeller Board auf Lochraster

Allgemeine Themen rund um den Propeller Mikrocontroller und Elektronik
Antworten
BorgKönig
Beiträge: 598
Registriert: So 24. Mai 2009, 11:24

Kleines Propeller Board auf Lochraster

Beitrag von BorgKönig »

Hallo Ihr,

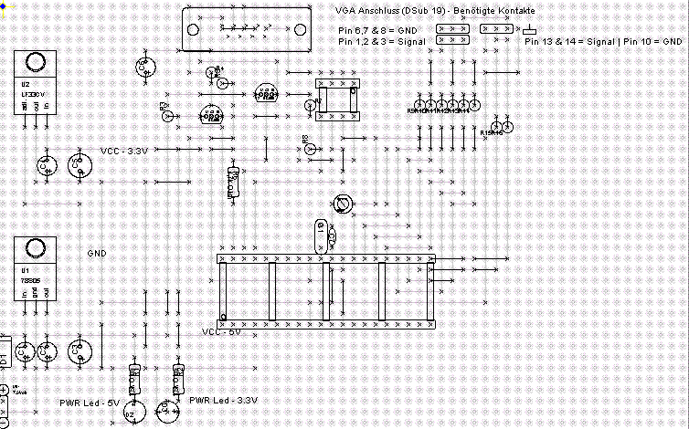
aus einer Idee, und meiner Bastlellaune heraus, habe ich begonnen ein Propeller Board komplett auf Lochraster zu bauen. Zunächst ist das ganze eher nur virtuell realisiert. Das heisst, ich baue das Board mit "Lochmaster 3.0 Demo" auf. Ein Screenshot habe ich mal als Anhang beigefügt. Ihr könnt ja mal schauen, ob das Board soweit korrekt "verdrahtet" ist :)

Achso, das ganze basiert auf diesem Board hier: http://www.dk2gt.de/index.php?projektpa ... cklerboard
Dateianhänge
propboard.GIF
Benutzeravatar
drohne235
Administrator
Beiträge: 2284
Registriert: So 24. Mai 2009, 10:35
Wohnort: Lutherstadt Wittenberg
Kontaktdaten:

Re: Kleines Propeller Board auf Lochraster

Beitrag von drohne235 »

Den Quarz würde ich direkt neben die Fassung setzen - also so nah wie möglich an den Pro. Ansonsten würde ich noch direkt neben die Fassung komplette Buchsenleisten für die Ports setzen - so kannst du problemlos für Experimente die Signale abgreifen. Zumal sie einfach zu "verdrahten" sind: einfach eine Brücke zum benachbarten Port ziehen und fertig. Beim Hive-Prototyp hatte ich das auch so gemacht:

http://picasaweb.google.de/drohne235/Pi ... 8039028098

Zwischen den beiden Props hatte ich noch ein paar LED's gelötet. Daneben auch gleich Buchsen. So kann man mit kleinen selbst gelöteten Kabeln gleich mal das eine oder andere Signal anschauen. Als Stecker kann man die Metallteile der Buchsen selbst verwenden. Auf dem Foto kannst du zei solcher Käbelchen sehen, die jeweils zu P0 von jedem Prop gehen.

Eventuell kannst du es ja auch noch ein wenig packen, damit du noch genug Platz für Experimentierschaltungen hast.
"Ob Sie denken, dass Sie es können, oder ob Sie denken, dass Sie es nicht können - in beiden Fällen haben Sie recht." Henry Ford
BorgKönig
Beiträge: 598
Registriert: So 24. Mai 2009, 11:24

Re: Kleines Propeller Board auf Lochraster

Beitrag von BorgKönig »

Ich denke, der Quarz sitzt nun nah genug ;) Achja, ich habe das ganze mal als schwarz/weiss Screenshot angehangen. Die Leiterbahnen sollten gut genug zu sehen sein. Die schwarzen Bahnen sind auf der Oberseite, die grauen auf der Unterseite der Platine angeordnet.
Dateianhänge
propboard.GIF
Antworten